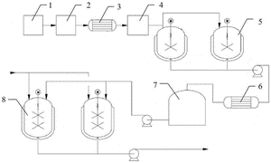
本发明涉及橡胶硫化促进剂制备技术领域,尤其是涉及一硫化四甲基秋兰姆的制备方法。本发明的一硫化四甲基秋兰姆的制备方法,包括如下步骤:(A)含氰化钠、NaOH和二甲胺的混合溶液与二硫化碳在微通道反应器中进行缩合反应后,经老化、冷却后得到缩合反应液;(B)将双氧水和硫酸溶液的混合液加入到所述缩合反应液中直至体系的pH为6.5~7,氧化反应后得到所述一硫化四甲基秋兰姆。本发明的制备方法反应转化率高,可高纯度、高收率的得到一硫化四甲基秋兰姆;整个反应工序能够实现连续化生产,极大地提高了生产效率;并且,该方法的废水排放量少。
